
EOS Bi-O Picco W Sauna Isıtıcısı: Modern Tasarım ve Yüksek Verimlilik
EOS Bi-O Picco W, şık tasarımı ve mükemmel performansı ile saunalar için ideal bir ısıtıcıdır. Hem estetik hem de enerji verimliliği açısından üst düzey özelliklere sahip olan bu ısıtıcı, kullanıcılarına rahatlatıcı ve verimli bir sauna deneyimi sunar.
Öne Çıkan Özellikler
Çok Modlu İklim Kontrolü:
3,0 kW veya 3,5 kW ısıtma gücüne sahip modelleriyle 3–4,5 m³ arasındaki kabinlerde kuru, hafif nemli veya aromalı buhar keyfi sunar
Entegre Buharlaştırıcı:
0,75 kW gücünde, 2 litrelik paslanmaz çelik tank kapasitesiyle hızlı ve güvenli buhar üretimi sağlar
Son Derece Kompakt:
Yalnızca 21,5 cm derinlikteki gövdesi, 50 × 30 cm’lik alan ihtiyacıyla dar kabinlere ideal uyum sunar
Yüksek Malzeme Kalitesi:
Dış kaplama: paslanmaz çelik (parlak, mat siyah veya antrasit inci efektli); iç gövde ve taş sepeti de paslanmaz çelikten üretilmiştir
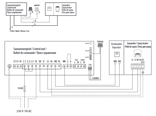
Teknik Bilgiler
🔧 Model Özellikleri
Model | EOS Bi-O Picco W |
Buharlaştırıcı Gücü: | 0,75 kW |
Elektrik Beslemesi: | 230 V 1N AC 50 Hz |
📏 Ölçüler ve Kapasiteler
Boyutlar (Y×G×D):50 × 30 × 21,5 cm | |
---|---|
Taş Kapasitesi: ~ 10 kg doğal sauna taşı | |
Ağırlık (Taşsız): 8 kg |